ПАГ18 IV
Характеристики изделия:
| Параметр | Значение |
|---|---|
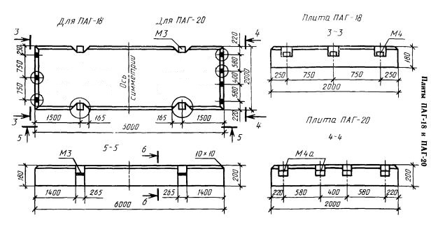
| длина | 6000 мм |
| ширина | 2000 мм |
| высота | 180 мм |
| масса | 5400 кг |
| нормативный документ | ГОСТ 25912.0-91 |
Цена:
Рассчитать стоимостьГОСТ 25912.0-91
Предварительно напряженные железобетонные плиты ПАГ размерами 6X2 м, изготовляемые из тяжелого бетона и предназначенные для устройства сборных аэродромных покрытий.
Плиты обозначают марками, состоящими из буквеннцифровых групп, разделенных дефисом. Первая группа содержит сокращенное буквенное наименование плиты — ПАГ (плита аэродромная гладкая).
Во второй группе приводят толщину плиты в сантиметрах и характеристику напрягаемой продольной арматуры:
IV — для арматурной стали классов Ат-IV, At-IVC и A-IV;
V — для арматурной стали классов Ат-V и A-V.
В обозначении марки плит ПАГ-14 с напрягаемой продольной арматурой диаметром 12 мм (ГОСТ 25912.1) дополнительно приводят цифру 1 (через дефис).