ТМ 6

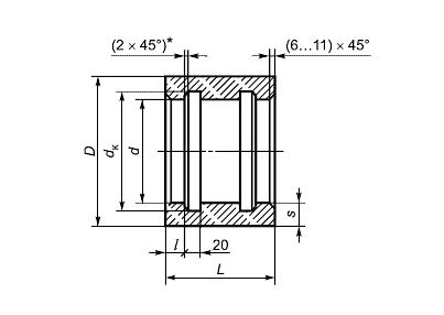
Чертеж изделия:
Характеристики изделия:
ПараметрЗначение
длина240 мм
ширина200 мм
высота200 мм
масса5 кг
нормативный документГОСТ 31416-2009

ТМ 6   Муфты хризотилцементные для напорных теплопроводов ГОСТ 31416-2009.