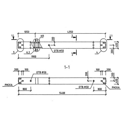
1КС колонны
Характеристики изделия:
| Параметр | Значение |
|---|---|
| длина | 5400 мм |
| ширина | 400 мм |
| высота | 400 мм |
| масса | 2225 кг |
| нормативный документ | Серия 1.020-1/83 |
Цена:
Рассчитать стоимость1КС Колонны Серия 1.020-1/83.
| Параметр | Значение |
|---|---|
| длина | 5400 мм |
| ширина | 400 мм |
| высота | 400 мм |
| масса | 2225 кг |
| нормативный документ | Серия 1.020-1/83 |
1КС Колонны Серия 1.020-1/83.
