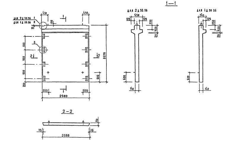
1Д 30.36 диафрагмы жесткости

Чертеж изделия:
Характеристики изделия:
ПараметрЗначение
длина2980 мм
ширина345 мм
высота3570 мм
масса4230 кг
нормативный документСерия 1.020-1/87

1Д 30.36   Диафрагмы жесткости с одной полкой Серия 1.020-1/87.