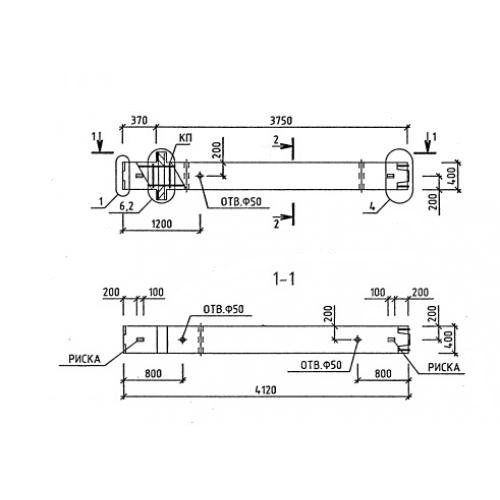
1КВ 48 колонны

Чертеж изделия:
Характеристики изделия:
ПараметрЗначение
длина4120 мм
ширина400 мм
высота400 мм
масса1647,5 кг
нормативный документСерия 1.020-1/87

1КВ 48  Колонны верхние Серия 1.020-1/87.