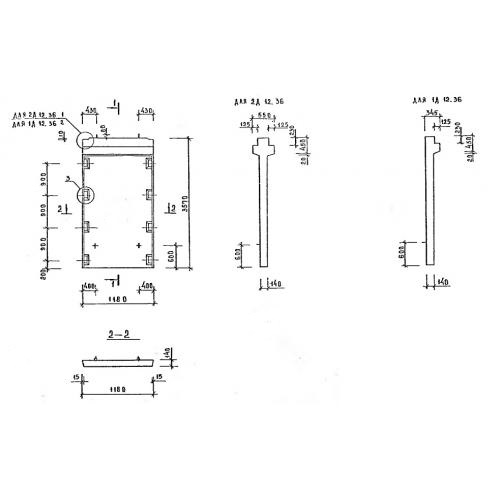
2Д 12.36 диафрагмы жесткости

Чертеж изделия:
Характеристики изделия:
ПараметрЗначение
длина1180 мм
ширина550 мм
высота3570 мм
масса1890 кг
нормативный документСерия 1.020-1/87

2Д 12.36   Диафрагмы жесткости с двумя полками Серия 1.020-1/87.