2Д 26.39

Чертеж изделия:
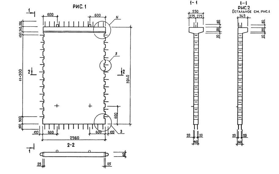
Характеристики изделия:
ПараметрЗначение
длина2800 мм
ширина550 мм
высота4340 мм
масса3910 кг
нормативный документСерия 1.020.1-3пв

2Д 26.39  Диафрагмы жесткости с двумя полками Серия 1.020.1-3пв.