ПС 72.120.25 панели стеновые

Чертеж изделия:
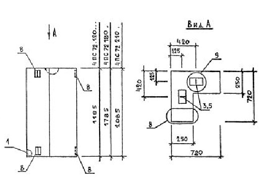
Характеристики изделия:
ПараметрЗначение
длина720 мм
ширина250 мм
высота1185 мм
масса540 кг
нормативный документСерия 1.030.1-1/88

ПС 72.120.25  Панели стеновые Серия 1.030.1-1/88.