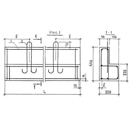
2ПГ 39 перемычки балочные

Чертеж изделия:
Характеристики изделия:
ПараметрЗначение
длина3890 мм
ширина250 мм
высота44 мм
масса792 кг
нормативный документСерия 1.038.1-1

2ПГ 39  Перемычки балочные Серия 1.038.1-1.