6ПГ 60 перемычки балочные
Характеристики изделия:
| Параметр | Значение |
|---|---|
| длина | 5960 мм |
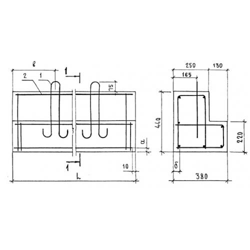
| ширина | 380 мм |
| высота | 440 мм |
| масса | 2065 кг |
| нормативный документ | Серия 1.038.1-1 |
Цена:
Рассчитать стоимость6ПГ 60 Перемычки балочные Серия 1.038.1-1.
| Параметр | Значение |
|---|---|
| длина | 5960 мм |
| ширина | 380 мм |
| высота | 440 мм |
| масса | 2065 кг |
| нормативный документ | Серия 1.038.1-1 |
6ПГ 60 Перемычки балочные Серия 1.038.1-1.
