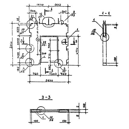
1ПВП 28.30.13-1Т-С

Чертеж изделия:
Характеристики изделия:
ПараметрЗначение
длина2820 мм
ширина160 мм
высота3040 мм
масса2170 кг
нормативный документСерия 1.090.1-2с

1ПВП 28.30.13-1Т-С  Панели внутренние с проемом (Серия 1.090.1-2с).

1Т - бетон  тяжелый марки М150.

С - для сейсмических районов.