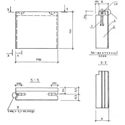
СБ 7,1-15.13.55-Т-1
Характеристики изделия:
| Параметр | Значение |
|---|---|
| длина | 1480 мм |
| ширина | 550 мм |
| высота | 1310 мм |
| масса | 2459 кг |
| нормативный документ | Серия 1.116.1-6 |
Цена:
Рассчитать стоимостьЦокольные блоки толщиной 35, 45, 55 см (Серия 1.116.1-6).
СБ 7,1-15.13.55-Т-1
СБ - тип блока - стеновые блоки наружных стен.
7 - цокольный блок.
1 (цифра после запятой) обозначение положения блока в плане: 1- рядовой, 2, 3-угловой, 5 - блок лоджий.
Группа цифр, разделенных точками, обозначает габариты изделия в дециметрах с округлением (длина, высота, толщина).
Т - тяжелый бетон на пористых заполнителях.
Последний цифровой индекс указывает на дополнительные факторы (1- симетричный, 2- несимметричный левый, 3 - несимметричный правый, наличие оконного (1) или дверного проема (2)).
