В1.5-29.27.16-2.2л

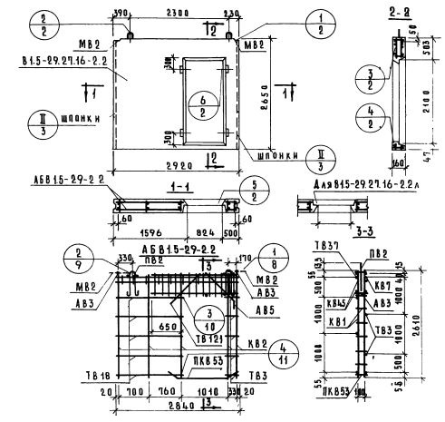
Чертеж изделия:
Характеристики изделия:
ПараметрЗначение
длина2920 мм
ширина160 мм
высота2650 мм
масса2400 кг
нормативный документСерия 1.131-1

В1.5-29.27.16-2.2л     Внутренние стеновые панели   (Серия 1.131-1).