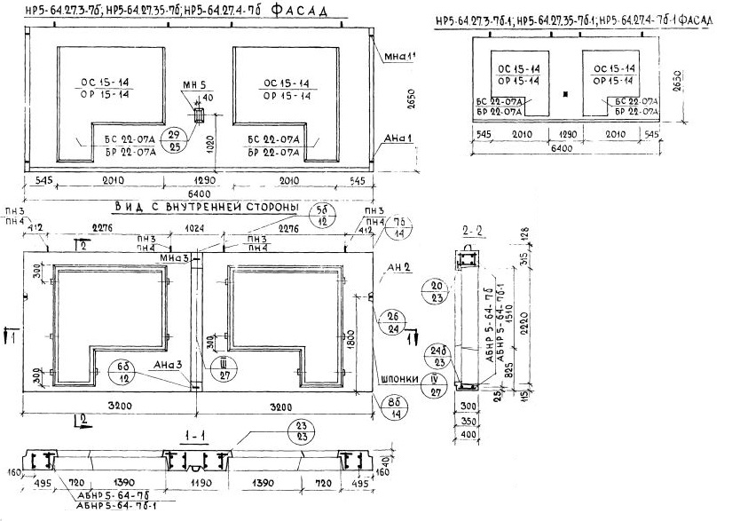
НР5-64.27.3-7б

Чертеж изделия:
Характеристики изделия:
ПараметрЗначение
Длина6400 мм
Ширина300 мм
Высота2650 мм
Масса4640 кг
Нормативный документСерия 1.132-1

НР5-64.27.3-7б   Наружная стеновая панель рядовая по Серии 1.132-1.