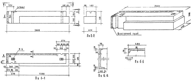
НБУ-30.6.6
Характеристики изделия:
| Параметр | Значение |
|---|---|
| Длина | 3000 мм |
| Ширина | 600 мм |
| Высота | 580 мм |
| Масса | 1810 кг |
| Нормативный документ | Серия 1.133-1 |
Цена:
Рассчитать стоимостьСтеновые легкобетонные блоки толщиной 60 см по Серии 1.133-1.
НБУ-30.6.6 Поясной блок угловой.