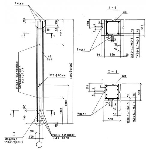
К 60 колонны

Чертеж изделия:
Характеристики изделия:
ПараметрЗначение
длина6300 мм
ширина500 мм
высота500 мм
масса4000 кг
нормативный документСерия 1.423-3

К 60  Колонны Серия 1.423-3.