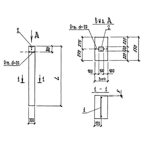
УБ 18.55

Чертеж изделия:
Характеристики изделия:
ПараметрЗначение
длина1785 мм
ширина300 мм
высота550 мм
вес730 кг
серия1.432.1-20

УБ 18.55 Блоки угловые по серии 1.432.1-20.