П 1
Характеристики изделия:
| Параметр | Значение |
|---|---|
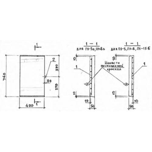
| длина | 740 мм |
| ширина | 420 мм |
| высота | 50 мм |
| вес | 40 кг |
| серия | 3.006-2 |
Цена:
Рассчитать стоимостьП 1 Плиты перекрытия лотков по серии 3.006-2.
| Параметр | Значение |
|---|---|
| длина | 740 мм |
| ширина | 420 мм |
| высота | 50 мм |
| вес | 40 кг |
| серия | 3.006-2 |
П 1 Плиты перекрытия лотков по серии 3.006-2.
