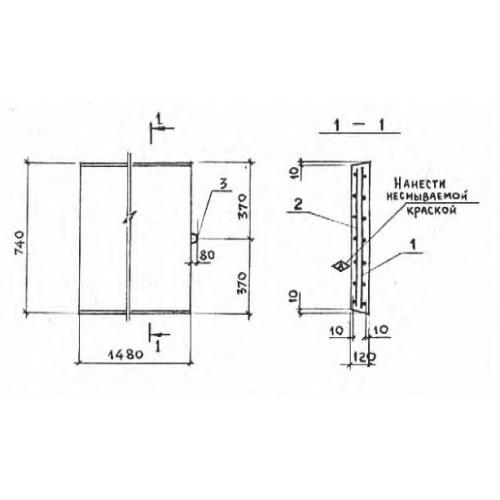
П 13д

Чертеж изделия:
Характеристики изделия:
ПараметрЗначение
длина740 мм
ширина1480 мм
высота120 мм
вес330 кг
серия3.006-2

П 13д Плиты перекрытия лотков доборные по серии 3.006-2.