П 21
Характеристики изделия:
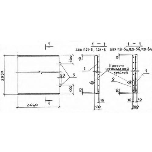
| Параметр | Значение |
|---|---|
| длина | 2990 мм |
| ширина | 2460 мм |
| высота | 160 мм |
| масса | 2940 кг |
| нормативный документ | Серия 3.006.1-2/82 |
Цена:
Рассчитать стоимостьП 21 Плиты перекрытия лотков Серия 3.006.1-2/82.
| Параметр | Значение |
|---|---|
| длина | 2990 мм |
| ширина | 2460 мм |
| высота | 160 мм |
| масса | 2940 кг |
| нормативный документ | Серия 3.006.1-2/82 |
П 21 Плиты перекрытия лотков Серия 3.006.1-2/82.
