П 20 плиты лотков

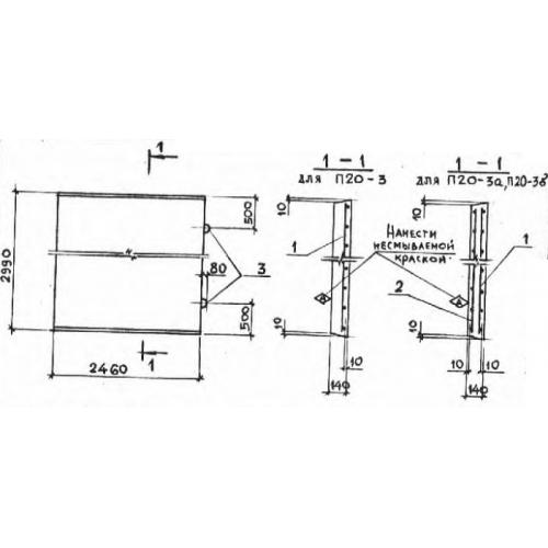
Чертеж изделия:
Характеристики изделия:
ПараметрЗначение
длина2990 мм
ширина2460 мм
высота140 мм
масса2570 кг
нормативный документСерия 3.006.1-2/87

П 20 Плиты перекрытия лотков Серия 3.006.1-2/87.