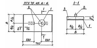
ПТУ 75.45.6 плиты лотков

Чертеж изделия:
Характеристики изделия:
ПараметрЗначение
длина740 мм
ширина430 мм
высота60 мм
масса47 кг
нормативный документСерия 3.006.1-8

ПТУ  75.45.6  Плиты перекрытия каналов угловые Серия 3.006.1-8.