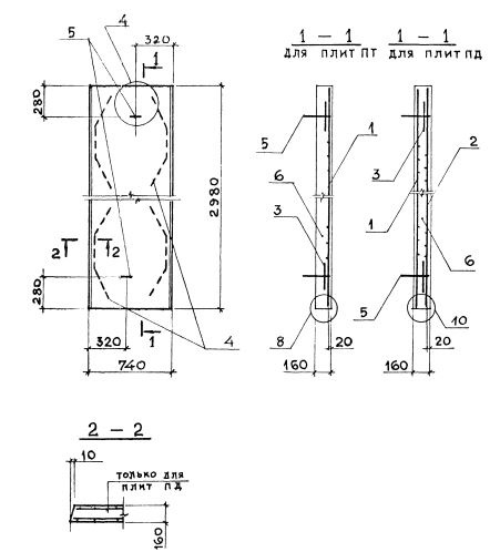
ПТ 75.300.16 плиты лотков

Чертеж изделия:
Характеристики изделия:
ПараметрЗначение
длина740 мм
ширина2980 мм
высота160 мм
масса880 кг
нормативный документСерия 3.006.1-8

ПТ 75.300.16  Плиты перекрытий каналов Серия 3.006.1-8.