КФ
Характеристики изделия:
| Параметр | Значение |
|---|---|
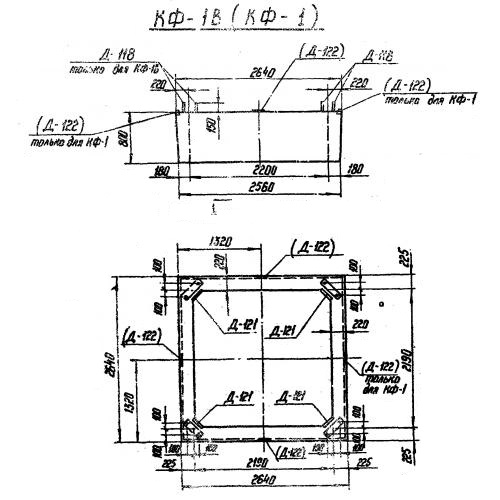
| длина | 2640 мм |
| ширина | 2640 мм |
| высота | 800 мм |
| масса | 3880 кг |
| нормативный документ | Серия 3.407-123 |
Цена:
Рассчитать стоимостьКФ Фундаментные секции Серия 3.407-123.
| Параметр | Значение |
|---|---|
| длина | 2640 мм |
| ширина | 2640 мм |
| высота | 800 мм |
| масса | 3880 кг |
| нормативный документ | Серия 3.407-123 |
КФ Фундаментные секции Серия 3.407-123.
