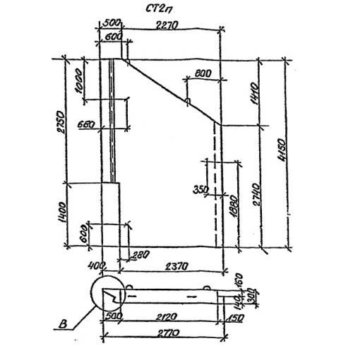
СТ 2 стенка откосная

Чертеж изделия:
Характеристики изделия:
ПараметрЗначение
длина4150 мм
ширина2770 мм
высота300 мм
масса6500 кг
нормативный документСерия 3.501.1-177.93

СТ 2  Откосные стенки (крылья) по Серии 3.501.1-177.93.