ФП-2

Чертеж изделия:
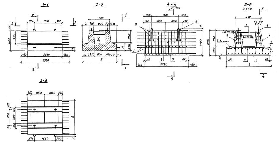
Характеристики изделия:
ПараметрЗначение
длина3520 мм
ширина3000 мм
высота1420 мм
масса13300 кг
нормативный документСерия 3.503.1-57

ФП-2  Блоки фундамента Серия 3.503.1-57.