ПО 1

Чертеж изделия:
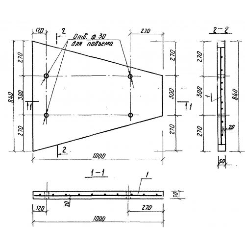
Характеристики изделия:
ПараметрЗначение
длина1000 мм
ширина840 мм
высота50 мм
масса75 кг
нормативный документСерия 3.820-23

ПО 1 Плиты отмостки по Серии 3.820-23.