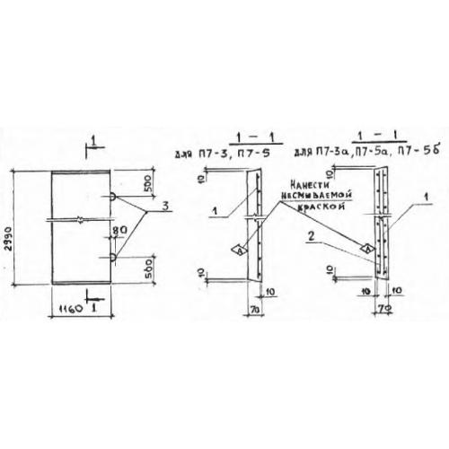
П 7 плита
Характеристики изделия:
| Параметр | Значение |
|---|---|
| длина | 2990 мм |
| ширина | 1160 мм |
| высота | 70 мм |
| масса | 610 кг |
| нормативный документ | Серия 3.900.1-12 |
Цена:
Рассчитать стоимостьП 7 Плиты перекрытия лотков по Серии 3.900.1-12.
| Параметр | Значение |
|---|---|
| длина | 2990 мм |
| ширина | 1160 мм |
| высота | 70 мм |
| масса | 610 кг |
| нормативный документ | Серия 3.900.1-12 |
П 7 Плиты перекрытия лотков по Серии 3.900.1-12.
