СБК-1.8

Чертеж изделия:
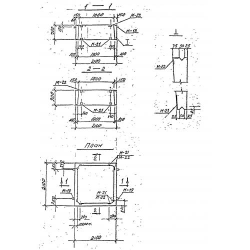
Характеристики изделия:
ПараметрЗначение
длина2100 мм
ширина2100 мм
высота700 мм
масса1750 кг
нормативный документСерия 3.903 КЛ-13

СБК-1.8   Блоки камеры средние по Серии 3.903 КЛ-13.