ЛП 2-1

Чертеж изделия:
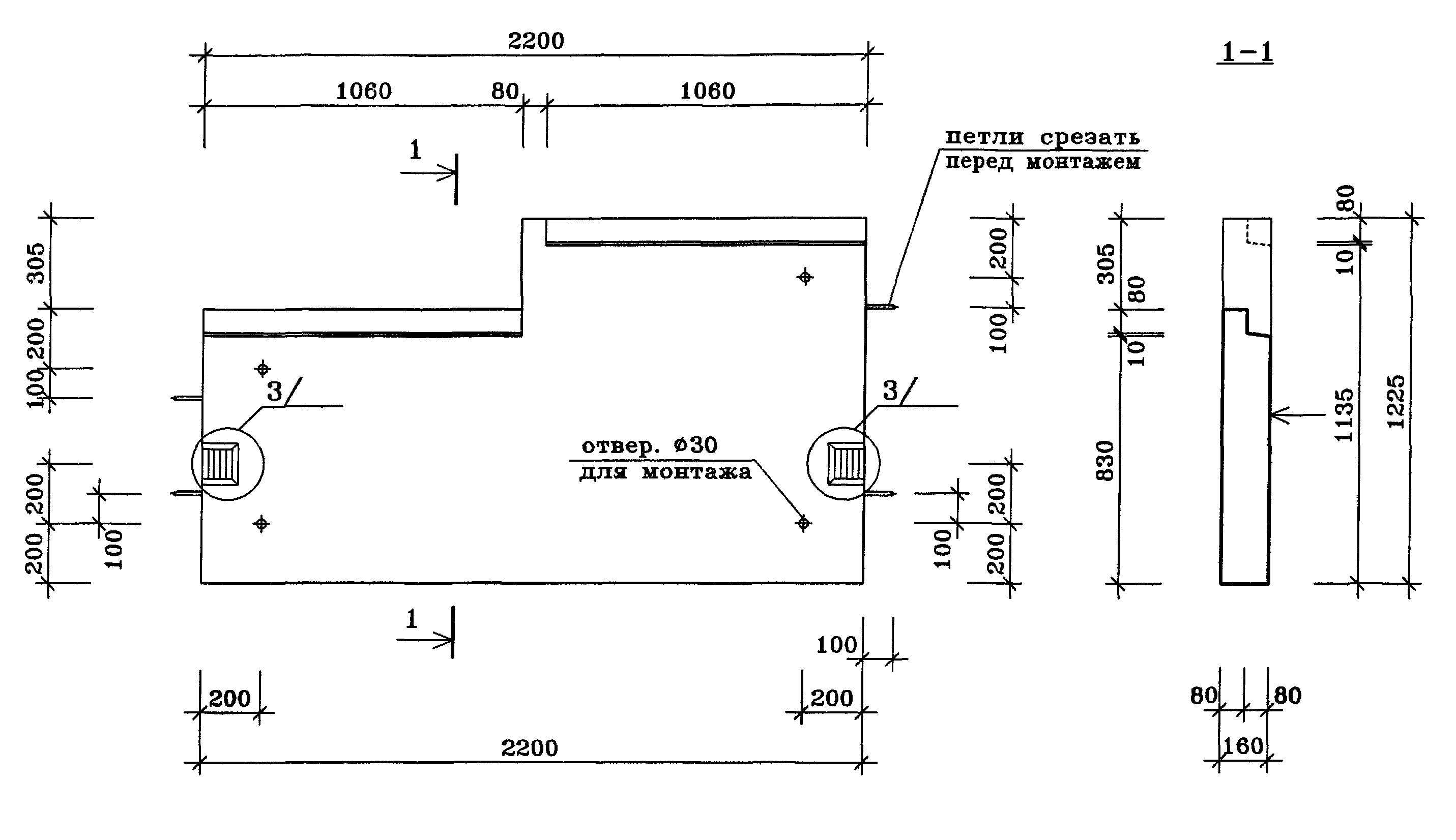
Характеристики изделия:
ПараметрЗначение
Длина L2200 мм
Ширина В1225 мм
Высота Н160 мм
Вес950 кг
СерияИЖ 4.2-1
Норма погрузки на машину (20тн)20 шт
Вагонная норма погрузки-

Лестничная площадка ЛП 2-1 изготавливаются по чертежам серии ИЖ 4.2-1 и предназначены для возведения лестниц при строительстве жилых зданий с высотой потолка 3 метра.