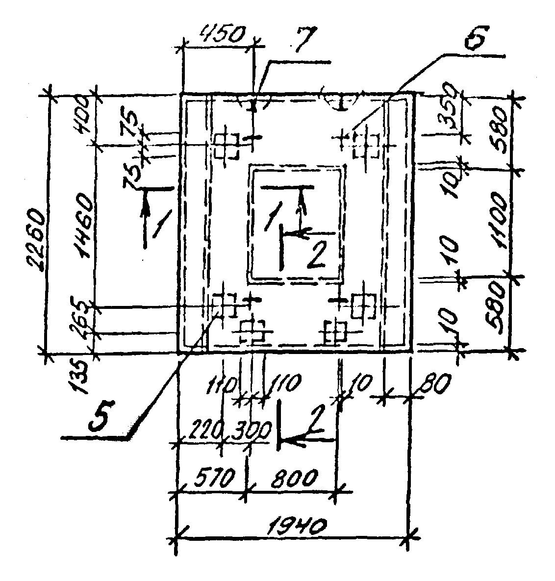
ПС 4
Характеристики изделия:
| Параметр | Значение |
|---|---|
| Длина L | 1940 мм |
| Ширина В | 2260 мм |
| Высота Н | 180 мм |
| Вес | 1650 кг |
| Серия | ВТИ-КЖ-01-83 |
| Норма погрузки на машину (20тн) | 12 шт |
| Вагонная норма погрузки | - |
Цена:
Рассчитать стоимостьПанель стеновая ПС 4 является составной частью теплофикационной камеры. Стеновые панели изготавливаются в соответствии с рабочими чертежами серии ВТИ-КЖ-01-83.
