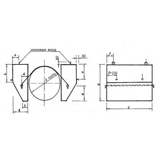
УБО 1220 утяжелители охватывающего типа

Чертеж изделия:
Характеристики изделия:
ПараметрЗначение
длина1350 мм
ширина600 мм
высота1400 мм
масса4232 кг
нормативный документВСН 007-88

УБО 1220 Утяжелители бетонные охватывающего типа ВСН 007-88.