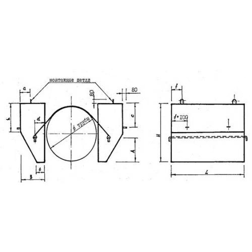
УБОм 1420 утяжелители охватывающего типа

Чертеж изделия:
Характеристики изделия:
ПараметрЗначение
длина1200 мм
ширина600 мм
высота1600 мм
масса4347 кг
нормативный документВСН 39-1.9-003-98

УБОм 1420 Утяжелители бетонные охватывающего типа ВСН 39-1.9-003-98.